 
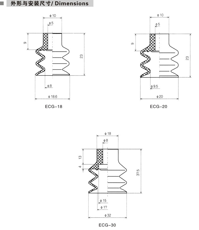
					| 产品标题:ECG系列三层真空吸盘,EASUN亿日气动真空发生器、真空吸盘 产品ID:VIB20121012230537734 品 牌:EASUN亿日 所在地:中国 上海 价 格:面议 (大量采购价格面议) 库存状态:货期待查 更新日期:2025-10-15 4:02:42 咨询电话:(+86)021-51699285 咨询Q Q: 2695337323 | 
ECG系列三层真空吸盘,EASUN亿日气动真空发生器、真空吸盘,真空吸盘,schmalz真空吸盘,施迈茨真空吸盘,smc真空吸盘,深圳真空吸盘,cnc真空吸盘,强力真空吸盘,非接触式真空吸盘,真空吸盘挂钩,无动力真空吸盘


 
 